產品介紹
產品名稱:QS、QSC 、QSS 、QSE三合一齒輪減速器
產品類別:三合一齒輪減速機系列
產品型號:QS、QSC 、QSS 、QSE
QS、QSE、LG型系列“三合一”減速器采用漸開線圓柱齒輪傳動,具有平行輸出、結構緊湊、傳遞扭矩大、工作平穩、噪音低、壽命長的特點。 2,LG型系列離合式輥道用減速機是我公司最新推出的專利產品,產品專利號為ZL9502026434.X,主要應用于要求單向轉動、連續工作的輥道輸送線,其輸出軸的超越離合裝置在減速機出故障時,可保證輸出軸被動旋轉,而不影響輸送線停機。 3,減速器齒輪、齒輪軸均采用優質合金鋼材料,經滲碳淬火、磨削處理后,齒面硬度和精度高,傳動噪音低。
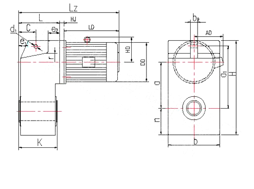
外形

出軸端尺寸

傳動比

中心距

輸入軸許用功率和輸出轉矩

承載能力

QS、QSE、LG型


QS承載能力

QSE承載能力


產品名稱:QS、QSC 、QSS 、QSE三合一齒輪減速器
產品類別:三合一齒輪減速機系列
產品型號:QS、QSC 、QSS 、QSE
QS、QSE、LG型系列“三合一”減速器采用漸開線圓柱齒輪傳動,具有平行輸出、結構緊湊、傳遞扭矩大、工作平穩、噪音低、壽命長的特點。 2,LG型系列離合式輥道用減速機是我公司最新推出的專利產品,產品專利號為ZL9502026434.X,主要應用于要求單向轉動、連續工作的輥道輸送線,其輸出軸的超越離合裝置在減速機出故障時,可保證輸出軸被動旋轉,而不影響輸送線停機。 3,減速器齒輪、齒輪軸均采用優質合金鋼材料,經滲碳淬火、磨削處理后,齒面硬度和精度高,傳動噪音低。
外形

出軸端尺寸

傳動比

中心距

輸入軸許用功率和輸出轉矩

承載能力

QS、QSE、LG型


QS承載能力

QSE承載能力



a>