產品介紹
產品名稱:鋁合金殼無級蝸輪系列
產品類別:蝸輪蝸桿減速機系列
產品型號:無級
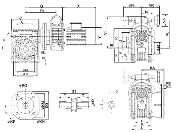
Size
a
a1
A
K
KC
KE
KM
KN(HB)
KO
M
N(h8)
N1
O
Q
S
V
b
D(H7)
t
T
F
FB
FL
F
FB
FL
F
FB
FL
F
FB
FL
40/0.18
45o
45o
70
60
4
5
4
M6x8(n,4)
87
115
87
60
95
60
9(n,4)
9.5(n,4)
9(n,4)
75
60
36.5
6.5
55
6.5
35
6(6)
18(19)
20.8(21.8)
26
50/0.18
45o
45o
80
70
5
5
5
M8x10(n,4)
90
130
90
70
110
70
11(n,4)
9.5(n,4)
11(n,4)
85
70
43.5
8.5
64
7
40
8(8)
25(24)
28.3(27.3)
30
50/0.37
63/0.37
45o
45o
100
85
6
5
6
M8x14(n,8)
150
165
150
115
130
115
11(n,4)
11(n,4)
11(n,4)
95
80
53
8.5
80
8
50
8(8)
25(28)
28.3(31.3)
36
63/0.55
63/0.75
75/0.37
45o
45o
120
90
6
-
-
M8x14(n,8)
165
-
-
130
-
-
14(n,4)
-
-
115
95
57
11
93
10
60
8(10)
28(35)
31.3(38.3)
40
75/0.55
75/0.75
75/1.1
75/1.5
90/0.55
45o
45o
140
100
6
-
-
M10x18(n,8)
175
-
-
152
-
-
14(n,4)
-
-
130
110
67
13
102
11
70
10(10)
35(38)
38.3(41.3)
45
90/0.75
90/1.1
90/1.5
110/1.1
45o
45o
170
115
6
-
-
M10x18(n,8)
230
-
-
170
-
-
14(n,8)
-
-
165
130
74
14
125
14
85
12
42
45.3
50
110/1.5
110/2.2
110/3.0
110/4.0
130/1.5
45o
45o
200
120
6
-
-
M12x21(n,8)
255
-
-
180
-
-
16(n,8)
-
-
215
180
81
16
140
15
100
14
45
48.8
60
130/2.2
130/3.0
130/4.0
Size
C
E
F
G
G1
G3
H
I
KA
KB
KP
KQ
L
P
R
VF
VL
VS
VR
VR1
F
FB
FL
F
FB
FL
F
FB
FL
F
FB
FL
40/0.18
100
121.5
43
183
78
134
50
40
67
76.5
97
7
9
7
110
140
110
95
-
95
71
87
71.5
151
118
85
110
110
50/0.18
120
144
49
193
92
145
60
50
90
87.5
120
9
10
9
125
160
125
110
-
110
85
100
84
161
128
85
110
110
50/0.37
190
154
173
140
85
110
110
63/0.37
144
174
67
205
112
169
72
63
82
99
112
10
11
10
180
200
180
142
-
142
103
110
102
186
153
85
110
110
63/0.55
234
181
203
170
110
120
120
63/0.75
234
181
203
170
110
120
120
75/0.37
172
205
72
223
120
187
86
75
111
-
-
13
-
-
200
-
-
170
-
-
112
140
119
198
165
85
110
110
75/0.55
252
198
215
182
110
120
120
75/0.75
252
198
215
182
110
120
120
75/1.1
259.5
207.5
199
177
110
150
-
75/1.5
300.5
227.5
219
197
110
150
-
90/0.55
208
238
74
269
140
215
103
90
111
-
-
13
-
-
210
-
-
200
-
-
130
160
135
230
197
110
120
120
90/0.75
269
215
230
197
110
120
120
90/1.1
276.5
224.5
214
192
110
150
-
90/1.5
317.5
244.5
234
212
110
150
-
110/1.1
252.5
295
-
307
155
255
128
110
131
-
-
15
-
-
280
-
-
260
-
-
144
200
168
234
212
110
120
-
110/1.5
348
275
254
232
110
150
-
110/2.2
368
291
298
260
110
160
-
110/3.0
368
291
298
260
110
160
-
110/4.0
368
291
298
260
110
160
-
130/1.5
292.5
335
-
368
170
295
148
130
140
-
-
15
-
-
320
-
-
290
-
-
155
250
188
274
252
110
150
-
130/2.2
388
311
318
280
110
160
-
130/3.0
388
311
318
280
110
160
-
130/4.0
388
311
318
280
產品名稱:鋁合金殼無級蝸輪系列
產品類別:蝸輪蝸桿減速機系列
產品型號:無級

產品類別:蝸輪蝸桿減速機系列
產品型號:無級

| Size | a | a1 | A | K | KC | KE | KM | KN(HB) | KO |
M |
N(h8) |
N1 |
O |
Q |
S |
V |
b |
D(H7) |
t |
T | ||||||||
|
F |
FB |
FL |
F |
FB |
FL |
F |
FB |
FL |
F |
FB |
FL | |||||||||||||||||
| 40/0.18 | 45o | 45o | 70 | 60 | 4 | 5 | 4 | M6x8(n,4) | 87 | 115 | 87 | 60 | 95 | 60 | 9(n,4) | 9.5(n,4) | 9(n,4) | 75 | 60 | 36.5 | 6.5 | 55 | 6.5 | 35 | 6(6) | 18(19) |
20.8(21.8) |
26 |
| 50/0.18 | 45o | 45o | 80 | 70 | 5 | 5 | 5 | M8x10(n,4) | 90 | 130 | 90 | 70 | 110 | 70 | 11(n,4) | 9.5(n,4) | 11(n,4) | 85 | 70 | 43.5 | 8.5 | 64 | 7 | 40 | 8(8) | 25(24) | 28.3(27.3) | 30 |
| 50/0.37 | ||||||||||||||||||||||||||||
| 63/0.37 | 45o | 45o | 100 | 85 | 6 | 5 | 6 | M8x14(n,8) | 150 | 165 | 150 | 115 | 130 | 115 | 11(n,4) | 11(n,4) | 11(n,4) | 95 | 80 | 53 | 8.5 | 80 | 8 | 50 | 8(8) | 25(28) | 28.3(31.3) | 36 |
| 63/0.55 | ||||||||||||||||||||||||||||
| 63/0.75 | ||||||||||||||||||||||||||||
| 75/0.37 | 45o | 45o | 120 | 90 | 6 | - | - | M8x14(n,8) | 165 | - | - | 130 | - | - | 14(n,4) | - | - | 115 | 95 | 57 | 11 | 93 | 10 | 60 | 8(10) | 28(35) | 31.3(38.3) | 40 |
| 75/0.55 | ||||||||||||||||||||||||||||
| 75/0.75 | ||||||||||||||||||||||||||||
| 75/1.1 | ||||||||||||||||||||||||||||
| 75/1.5 | ||||||||||||||||||||||||||||
| 90/0.55 | 45o | 45o | 140 | 100 | 6 | - | - | M10x18(n,8) | 175 | - | - | 152 | - | - | 14(n,4) | - | - | 130 | 110 | 67 | 13 | 102 | 11 | 70 | 10(10) | 35(38) | 38.3(41.3) | 45 |
| 90/0.75 | ||||||||||||||||||||||||||||
| 90/1.1 | ||||||||||||||||||||||||||||
| 90/1.5 | ||||||||||||||||||||||||||||
| 110/1.1 | 45o | 45o | 170 | 115 | 6 | - | - | M10x18(n,8) | 230 | - | - | 170 | - | - | 14(n,8) | - | - | 165 | 130 | 74 | 14 | 125 | 14 | 85 | 12 | 42 | 45.3 | 50 |
| 110/1.5 | ||||||||||||||||||||||||||||
| 110/2.2 | ||||||||||||||||||||||||||||
| 110/3.0 | ||||||||||||||||||||||||||||
| 110/4.0 | ||||||||||||||||||||||||||||
| 130/1.5 | 45o | 45o | 200 | 120 | 6 | - | - | M12x21(n,8) | 255 | - | - | 180 | - | - | 16(n,8) | - | - | 215 | 180 | 81 | 16 | 140 | 15 | 100 | 14 | 45 | 48.8 | 60 |
| 130/2.2 | ||||||||||||||||||||||||||||
| 130/3.0 | ||||||||||||||||||||||||||||
| 130/4.0 | ||||||||||||||||||||||||||||
| Size | C | E | F | G | G1 | G3 | H | I | KA | KB | KP | KQ | L | P | R | VF | VL | VS | VR | VR1 | ||||||||
| F | FB | FL | F | FB | FL | F | FB | FL | F | FB | FL | |||||||||||||||||
| 40/0.18 | 100 | 121.5 | 43 | 183 | 78 | 134 | 50 | 40 | 67 | 76.5 | 97 | 7 | 9 | 7 | 110 | 140 | 110 | 95 | - | 95 | 71 | 87 | 71.5 | 151 | 118 | 85 | 110 | 110 |
| 50/0.18 | 120 | 144 | 49 | 193 | 92 | 145 | 60 | 50 | 90 | 87.5 | 120 | 9 | 10 | 9 | 125 | 160 | 125 | 110 | - | 110 | 85 | 100 | 84 | 161 | 128 | 85 | 110 | 110 |
| 50/0.37 | 190 | 154 | 173 | 140 | 85 | 110 | 110 | |||||||||||||||||||||
| 63/0.37 | 144 | 174 | 67 | 205 | 112 | 169 | 72 | 63 | 82 | 99 | 112 | 10 | 11 | 10 | 180 | 200 | 180 | 142 | - | 142 | 103 | 110 | 102 | 186 | 153 | 85 | 110 | 110 |
| 63/0.55 | 234 | 181 | 203 | 170 | 110 | 120 | 120 | |||||||||||||||||||||
| 63/0.75 | 234 | 181 | 203 | 170 | 110 | 120 | 120 | |||||||||||||||||||||
| 75/0.37 | 172 | 205 | 72 | 223 | 120 | 187 | 86 | 75 | 111 | - | - | 13 | - | - | 200 | - | - | 170 | - | - | 112 | 140 | 119 | 198 | 165 | 85 | 110 | 110 |
| 75/0.55 | 252 | 198 | 215 | 182 | 110 | 120 | 120 | |||||||||||||||||||||
| 75/0.75 | 252 | 198 | 215 | 182 | 110 | 120 | 120 | |||||||||||||||||||||
| 75/1.1 | 259.5 | 207.5 | 199 | 177 | 110 | 150 | - | |||||||||||||||||||||
| 75/1.5 | 300.5 | 227.5 | 219 | 197 | 110 | 150 | - | |||||||||||||||||||||
| 90/0.55 | 208 | 238 | 74 | 269 | 140 | 215 | 103 | 90 | 111 | - | - | 13 | - | - | 210 | - | - | 200 | - | - | 130 | 160 | 135 | 230 | 197 | 110 | 120 | 120 |
| 90/0.75 | 269 | 215 | 230 | 197 | 110 | 120 | 120 | |||||||||||||||||||||
| 90/1.1 | 276.5 | 224.5 | 214 | 192 | 110 | 150 | - | |||||||||||||||||||||
| 90/1.5 | 317.5 | 244.5 | 234 | 212 | 110 | 150 | - | |||||||||||||||||||||
| 110/1.1 | 252.5 | 295 | - | 307 | 155 | 255 | 128 | 110 | 131 | - | - | 15 | - | - | 280 | - | - | 260 | - | - | 144 | 200 | 168 | 234 | 212 | 110 | 120 | - |
| 110/1.5 | 348 | 275 | 254 | 232 | 110 | 150 | - | |||||||||||||||||||||
| 110/2.2 | 368 | 291 | 298 | 260 | 110 | 160 | - | |||||||||||||||||||||
| 110/3.0 | 368 | 291 | 298 | 260 | 110 | 160 | - | |||||||||||||||||||||
| 110/4.0 | 368 | 291 | 298 | 260 | 110 | 160 | - | |||||||||||||||||||||
| 130/1.5 | 292.5 | 335 | - | 368 | 170 | 295 | 148 | 130 | 140 | - | - | 15 | - | - | 320 | - | - | 290 | - | - | 155 | 250 | 188 | 274 | 252 | 110 | 150 | - |
| 130/2.2 | 388 | 311 | 318 | 280 | 110 | 160 | - | |||||||||||||||||||||
| 130/3.0 | 388 | 311 | 318 | 280 | 110 | 160 | - | |||||||||||||||||||||
| 130/4.0 | 388 | 311 | 318 | 280 | ||||||||||||||||||||||||

a>